Sign In | Join Free | My webtextiles.com
China Airwolf Automation logo
Airwolf Automation
Automation Industry Expert . Focused on Pneumatic Components 15 years!
Verified Supplier

17 Years

Home > Pneumatic Air Cylinders >

Resin Pneumatic Air Cylinders Carbon Tool Steel Chromium Molybdenum Steel

Airwolf Automation
Trust Seal
Verified Supplier
Credit Check
Supplier Assessment
Contact Now

Resin Pneumatic Air Cylinders Carbon Tool Steel Chromium Molybdenum Steel

Brand Name : SMC

Model Number : MKB16-20RNZ

Certification : CE

Place of Origin : CHINA

MOQ : 1

Price : Negotiation

Payment Terms : T/T

Supply Ability : 1000 pcs /day

Delivery Time : within 1-10 working days after payment

Packaging Details : Plastic bags,Boxes, Cartons, Pallets,or according to customer's requirement

Name : Air Cylinder

Model : MKB16-20RNZ

Body Material : Aluminum Alloy

Ambient and fluid temperature : -10℃ to 60℃

Cushion : Rubber bumper

Piston bolt : Stainless steel

Contact Now

MKB16-20RNZ Carbon tool steel Chromium molybdenum steel Resin Pneumatic Cylinder

With Magnetic Field Resistant Auto SwitchD-P3DWA
1.If welding cables or welding gun electrodes are in the vicinity of thecylinder, the magnets in the cylinder could be affected by the exter-nal magnetic fields. (Please contact SMC if the welding amperage exceeds 1 60OO A.) If the source of strong magnetism comes in con-tact with the cylinder with an auto switch, make sure to install thecylinder away from the source of the magnetism.
2.If the cylinder is to be used in an environment in which spatter willcome in direct contact with the lead wires, cover the lead wires witha protective tube. For the protective tube, use a tube l.D. o7 ormore, which excels in heat resistance and flexibility.

Auto Switch Mounting Bracket/Parts No.
1.DInsert the nut into the auto switch mounting slot on the cylinder tube, andplace it in the roughly estimated settingposition.
2.Engage the ridge on the auto switch mounting arm with the recess in the cyl-inder tube rail, and slide it to the posi-tion of the nut.
3.Gently screw the auto switch mounting screw into the thread of the auto switchmounting nut through the mounting holeon the auto switch mounting arm.
4. Confirm where the mounting position is,and tighten the auto switch mountingscrew to fix the auto switch. The tighten-ing torque of the M2.5 screw must be0.25 to 0.35 N-m.

Caution
When a Magnetic Body Surrounds theCylinder
When a magnetic body surrounds the cylinder as shown in the fig-ure below (including when the magnetic body is only on one side ofthe cylinder), the movement of the auto switch may become un-stable.

Typical Applications
Printing (Tension Control)

Semiconductor (spot welding machine, chip grinding)

Automation Control

Robot

Specifications

Bore size (mm) 12 16 20 25 32 40 50 63
Action Double acting
Rotary angle 90° ±10°
Rotary direction Clockwise, Counterclockwise
Rotary stroke (mm) 7.5 9.5 15 19
Clamp stroke (mm) 10, 20, 30 10, 20, 30, 50
Theoretical clamp force (N) 40 75 100 185 300 525 825 1400
Fluid Air
Proof pressure 1.5 MPa
Operating pressure range 0.1 to 1 MPa 0.1 to
0.6 MPa
Ambient and fluid temperature Without auto switch: –10 to 70°C (No freezing)
With auto switch: –10 to 60°C (No freezing)
Lubrication Non-lube
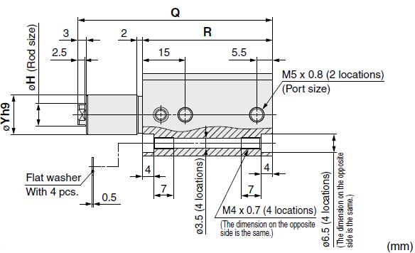
Piping port size M5 x 0.8 Rc1/8, NPT1/8
G1/8
Rc1/4, NPT1/4
G1/4
Mounting Through-hole/Both ends tapped common, Head flange
Cushion Rubber bumper
Stroke length tolerance +0.6
–0.4
Piston speed Note 5) 50 to 200 mm/s
Non-rotating accuracy (Clamp part) ±1.4° ±1.2° ±0.9° ±0.7°

Theoretical Output

Theoretical Output
Bore size
(mm)
Rod size
(mm)
Operating
direction
Piston area
(cm2)
Operating pressure (MPa)
0.3 0.5 0.7 1.0
12 6 IN 0.8 25 42 59 85
OUT 1.1 34 57 79 113
16 8 IN 1.5 45 75 106 151
OUT 2 60 101 141 201
20 12 IN 2 60 101 141 201
OUT 3.1 94 157 220 314
25 12 IN 3.8 113 189 264 378
OUT 4.9 147 245 344 491
32 16 IN 6 181 302 422 603
OUT 8 241 402 563 804
40 16 IN 10.6 317 528 739 1056
OUT 12.6 377 628 880 1257
50 20 IN 16.5 495 825 1155 1649
OUT 19.6 589 982 1374 1963
63 20 IN 28 841 1402 —— ——
OUT 31.2 935 1559 —— ——

Resin Pneumatic Air Cylinders Carbon Tool Steel Chromium Molybdenum SteelDelivery
1. If the products we have in store, we will send it out ASAP after payment.
2. If the products which were customized, we will complete the production within a specified period of time, and send it out the first time, we can promise it.
3. We have a variety of ways to deliver goods, usually DHL, Fedex, TNL will be normal ways, If you require use of a courier, we can do it.
4. Also we can send by your delivery acount if you want.

Products shopping guide
For example: you want to purchase a batch of cylinders but you don't know which type you are really want, so you can tell me all your requirement and I'll recommend to you.


Product Tags:

pneumatic actuator cylinder

      

smc pneumatic cylinder

      
Quality Resin Pneumatic Air Cylinders Carbon Tool Steel Chromium Molybdenum Steel for sale

Resin Pneumatic Air Cylinders Carbon Tool Steel Chromium Molybdenum Steel Images

Inquiry Cart 0
Send your message to this supplier
 
*From:
*To: Airwolf Automation
*Subject:
*Message:
Characters Remaining: (0/3000)